Filtres de produits

Département
Diamètre
Diamètre extérieur
Système de mesure
Alésage
Largeur
Catégorie
En stock

GRB

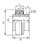
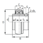
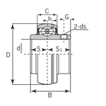
Roulements Appliqués (Paliers à Bride) Paliers Montés Standard Ensembles et Kits