DOUILLES 3/8 1/2DR.

DOUILLES
$3.7849
GNS483812
1 Articles
+

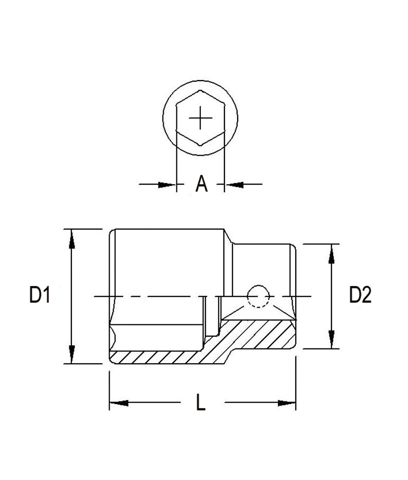
DOUILLES 3/8 1/2DR.

Catégorie:
GENIUS
Diamètre:
3/8
Diamètre D1:
15mm
Diamètre D2:
24mm
Longueur:
38mm
Standard:
CHROMÉE

At the same price!

PITON A BOIS 3/8X4.1/2
10-AN5155
54 Articles
$3.6704
COSSE DE CABLE LEGERE 5/8" GALV
10-COSSEL-5/8
44 Articles
$3.9199
EYE BOLT DE LEVAGE 1/4X2 HDG CAPACITÉ 650 LBS AVEC ÉPAULEMENT
10-EB1/4X2-HDG
16 Articles
$3.7319