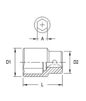
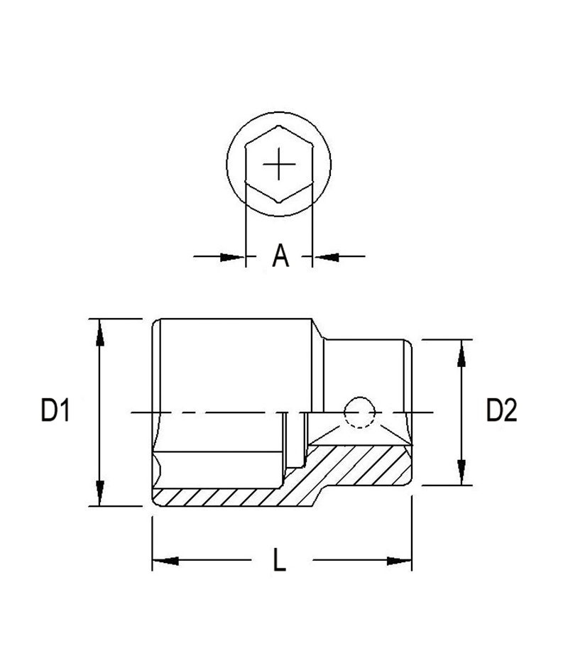
DOUILLES 1-1/8 1/2DR.
Catégorie:
GENIUS
Diamètre:
1 1/8
Diamètre D1:
39mm
Diamètre D2:
36mm
Longueur:
46mm
Standard:
CHROMÉE

