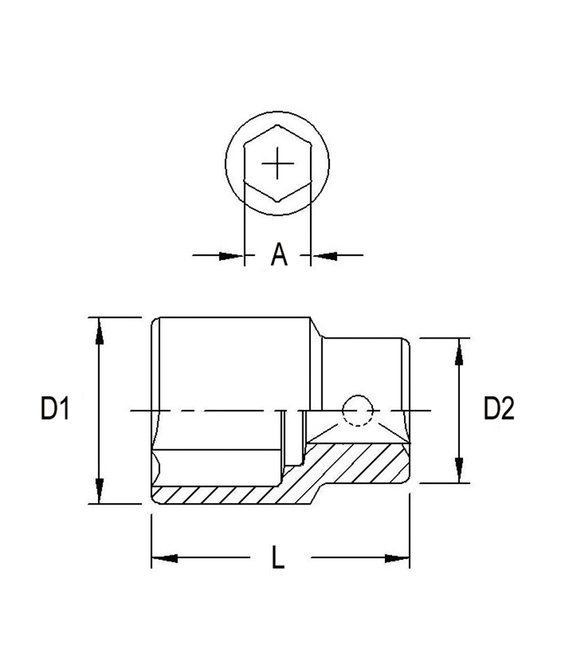
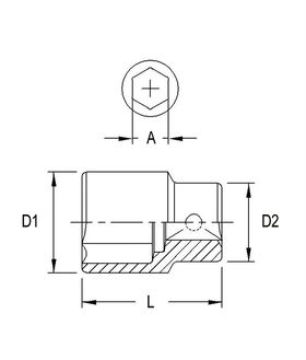
DOUILLES 1-1/4 1/2DR.
Catégorie:
GENIUS
Diamètre:
1 1/4
Diamètre D1:
43mm
Diamètre D2:
40mm
Longueur:
46mm
Standard:
CHROMÉE

