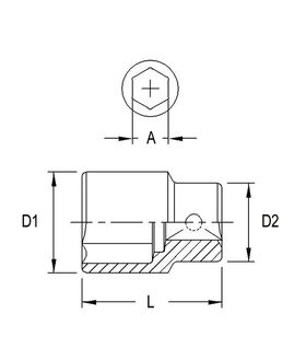
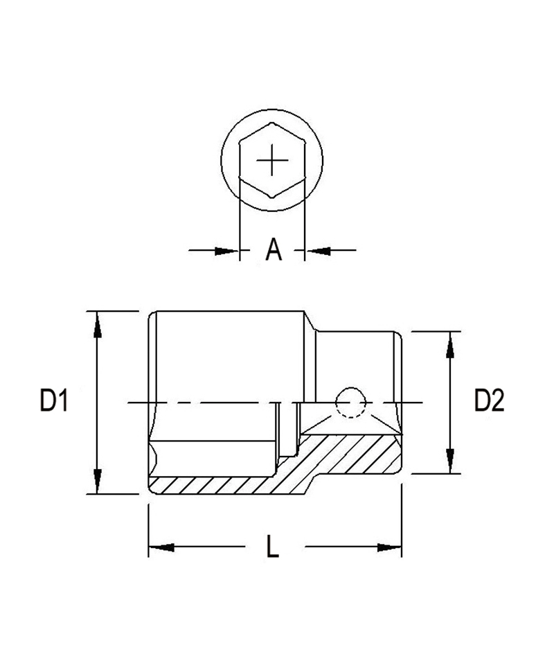
DOUILLE CHROMEE 3/8DR X 17MM
Catégorie:
GENIUS
Diamètre:
17mm
Diamètre D1:
23mm
Diamètre D2:
21mm
Longueur:
32mm
Standard:
CHROMÉE

